Peamised eelised
See 80 kVA pad{1}}paigaldatud trafo, mis on optimeeritud eluruumideks ja väikeseks äriliseks kasutamiseks, ühendab vastupidavuse ja lihtsa paigaldamise. See tagab pideva pinge muundamise ja vähese hooldusvajaduse tavalistes välistingimustes.
Toote kasutamine
ZBW-12/0.4 eelinstallitud alajaam Integreeritud kokkupandava tootena ühendab see jaotusvõrgu toiteploki kaablit, kõrgepinge juht- ja kaitseseadmeid, alajaama komponente ja elektrijaotusseadmeid. Seda kasutatakse laialdaselt linna- ja maapiirkondade elektrijaotusvõrkudes.
Toode on varustatud kõrge-pinge koormuslülitite ja kõrge-pingega kaitsmetega trafoõlipaagis ning sellel on kaks konstruktsioonivormi: integreeritud trafopaak ja eraldi trafopaak. Paagil on täielikult suletud struktuur ja see on varustatud õlitemperatuuri näidikute, õlitaseme näidikute, manomeetrite, rõhuvabastusventiilide, tühjendusventiilide ja muude komponentidega, et jälgida trafo tööolekut.
Toiteallika režiimi järgi jaotatakse toode ringvõrgu tüübiks ja terminalitüübiks. Et muuta see toode Hiina elektrivõrgu tegelikele nõuetele sobivamaks, on meie ettevõte turule toonud ka pistik{1}}tüüpi kaitsmed, mis ei mõjuta trafoõli jõudlust.
Madal-väljuvate vooluahelate keerukuse alusel jagatakse ZBW-12/0.4 tooted kolme tüüpi kappi: standardtüüp, täiustatud tüüp ja terviklik tüüp. See võimaldab kasutajatel ja disainiüksustel teha paindlikumaid ja kulutõhusamaid valikuid.
Mudeli kirjeldus
- Võttes näitena ZBW-seeria, on mudel kujutatud kui ZBW - 12/0.4 - □ - □ - □.
- Esimene osa "ZBW" tähistab kokkupandavat alajaama.
- "12/0,4" tähistab nimipinge tasemeid, 12 kV kõrge - pinge poolel ja 0,4 kV madala - pinge poolel.
- Järgmised kastid tähistavad vastavalt kõrge - pinge mõõtmist nimipinge (KV), madala - pinge mõõtmist nimipinge (KV) ja trafo nimivõimsust (KVA).

Kasuta keskkonda
1. Keskkonnatemperatuur: Maksimaalne temperatuur +40 kraadi , minimaalne temperatuur -30 kraadi
2. Kõrgus: väiksem või võrdne 1000 m (Märkus: algne "s1000m" on parandatud väärtuseks "Vähem kui 1000m või sellega võrdne", mis on tehnilistes dokumentides "kõrguse kuni 1000 m" kokkuleppeline väljend)
3. Tuule kiirus: võrdne 34 m/s (tuule rõhk mitte üle 700 Pa)
4. Niiskus: päeva keskmine suhteline õhuniiskus ei tohi ületada 95% (Märkus: liiasuse kõrvaldamiseks kustutatakse algne kordus "keskmise väärtuse suhteline õhuniiskus ei ületa 95%"; "Dally" on parandatud väärtuseks "Igapäevane")
5. Maavärin: horisontaalne kiirendus ei tohi olla suurem kui 0,4 m/s²; vertikaalkiirendus ei tohi olla suurem kui 0,15 m/s² (Märkus: "Earthauake" on parandatud väärtuseks "Earthquake"; "kiirenduse tase" on ebaselguse vältimiseks määratletud kui "horisontaalne kiirendus")
6. Paigalduskoha kalle: mitte rohkem kui 3 kraadi (Märkus. Algne "3 kraadi kraadi" parandatakse, kustutades "kraadid", kuna "kraad" tähistab juba nurga ühikut, vältides kordusi)
7. Paigalduskeskkond: ümbritsev õhk ei tohi sisaldada söövitavaid aineid, tuleohtlikke gaase ega muid ilmseid saasteaineid; paigalduskoht peab olema vaba tugevast vibratsioonist (Märkus: "ei ole söövitav" on kohandatud väärtuseks "vaba söövitavate aineteta", et kirjeldada täpselt kahjuliku keskkonna puudumist; "muu ilmselge reostus" on parandatud sõnaga "muud ilmsed saasteained")
8. Kui klientidel on vaja tellida tooteid, mis ületavad ülaltoodud tingimusi, saavad nad meie ettevõttega läbi rääkida (Märkus: originaal "tellige toode üle ülaltoodud tingimuste" on loogilise sujuvuse huvides kohandatud tingimuslauseks; "ettevõte võib ettevõttega läbi rääkida" on parandatud sõnadega "nad saavad meie ettevõttega läbi rääkida", et välistada mitmetähenduslik viide "ettevõttele")
Toote eelised
1. Kompaktne struktuur ja väikesed mõõtmed: selle maht on vaid umbes 1/3 kuni 1/5 sama võimsusega Euroopa -stiilis kast-tüüpi alajaamade mahust, mis vähendab oluliselt põrandapinda. (Märkus: "grealy" on parandatud sõnaga "suuresti"; lause lõpetamiseks lisatakse teema "selle maht", täpsustades võrdlusobjekti kui "sama võimsusega Euroopa -stiilis kast-tüüpi alajaamade maht"; "pindala" on täpsustatud "põrandapinnaks", et see sobiks paremini "põrandaruumi" tehnilise stsenaariumiga ja vältida.)
2. Täielikult suletud ja täielikult isoleeritud struktuur: see ei nõua isolatsioonikaugust ja tagab usaldusväärse isikukaitse. (Märkus: "fuly" on parandatud väärtuseks "täielikult"; "ilma isolatsioonikauguse vajaduseta" on optimeeritud väärtuseks "ei nõua isolatsioonikaugust", mis vastab ingliskeelsete tehniliste dokumentide kokkuvõtlikule väljendusharjumusele; "isikukaitse usaldusväärne kaitse" on kohandatud nii, et "pakkub usaldusväärset isikukaitset", millele on lisatud predikaat "annab", et muuta lause struktuur terviklikuks ja loogiliselt sidusaks).
3. Paindlik kõrge-pingeühendus ja toiteallika režiim: kõrge-pingeühendust saab kasutada nii ringvõrgu kui ka terminaliühenduste jaoks, millel on paindlik toiteallika režiim ja kõrge töökindlus. (Märkus: "paindlik" on parandatud sõnaga "paindlik"; korduv väljend "saab kasutada ringvõrgu jaoks ja seda saab kasutada terminali jaoks" liidetakse lausestruktuuri lihtsustamiseks sõnadega "saab kasutada nii ringvõrgu kui ka terminaliühenduste jaoks"; "featuring" kasutatakse "paindliku toiteallika režiimi" ja "kõrge töökindluse" ühendamiseks, muutes iseloomuliku kirjelduse kompaktsemaks.)
4. Suurepärane trafo jõudlus: Trafol on suurepärane jõudlus, väikese kadu, madala müra ja madala temperatuuri tõusuga. Sellel on ka tugev ülekoormusvõime, samuti lühis-- ja löögikindlus. (Märkus: "trafo jõudluse suurepärane" on kohandatud "suurepärase trafo jõudlusega", mis vastab üldlevinud ingliskeelsele struktuurile "omadussõna + nimisõna"; predikaat "on" on lisatud, et parandada mittetäielikku komponendi probleemi "ülekoormusvõime, lühis, löögikindlus", selgitades, et sellel on tugev lühis{5}}, mis muudab jõudluse ja löögikindluse täpsemaks.)
5. Kohandatav madalpinge -väljumise nõuetele: see võib vastata erinevate madalpinge -väljundahelate nõuetele ja seda saab valida olemasolevate skeemide järgi või kohandada vastavalt vajadusele. (Märkus. Lause lõpetamiseks lisatakse teema "see"; "madalpinge toide" on optimeeritud "madalpinge väljundahelatele" (täpsem erialane termin "madalpinge väljundahelatele"); loogiline viga "saab valida vastavalt skeemile, aga ka kujundada" on parandatud ja "või kohandada tähendust, et kohandada vastavalt vajadusele". väljend "kohandamine" tehnilistes dokumentides.)
6. Saadaval on kahte tüüpi kaabliühendusi: kaabliühenduste jaoks on kaks võimalust: kaablipea pistikud ja 200A/600A põlve-tüüpi "T"-kujulised fikseeritud kaabliühendused. Täielikult isoleeritud tsinkoksiidi piiraja saab konfigureerida; 200A kaablipea toetab pingestatud pistikut ja toimib eralduslülitina. (Märkus: "arrestel" on parandatud sõnaga "arrester" (ametlik termin "äikesepüüdja" jaoks); segane sõnajärjestus sõnades "kaablipea pistik ja 600A 200A küünarnukk tüüpi 't" tüüpi fikseeritud kaabliliide kaks" on kohandatud, et selgitada "kahte tüüpi kaabliühenduste" klassifikatsiooni; "võib võtta pinget, pistikut ja toetada lülitit" eralduslülitina", kus "pinge all olev ühendamine" on toiteseadmete väljal standardväljend ja "teenib kui" muudab loogika "toimib ka eralduslülitina" selgemaks.)
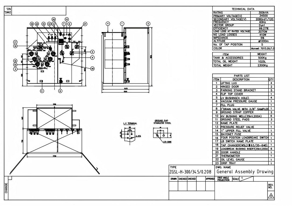
Toote struktuuri omadused
- Trafo ja kambrid: pad{0}}paigaldatud trafo kasutab 813-seeria õli-sukelduvat trafot koos chip-tüüpi õlipaagiga (ilma õlipadjata, täielikult suletud). Kõrg-/madalrõhu{5}}puksid, kraanlülitid, õlitaseme indikaatorid, rõhuvabastusventiilid, õlivabastusventiilid jne on paigaldatud kõrgsurvekambri -otsplaadile, et neid oleks lihtne jälgida ja kasutada. Selle kõrge/madala rõhu-kambrid on eraldatud terasplaatidega (suhteliselt sõltumatud) ja integreeritud terviklikku kasti.
- Komponendid: see on varustatud pistikuga - kaitsmetes, manomeetrites, ülerõhuklappides, õlitaseme näidikutes, õlitermomeetrites, koormuslülitites, kõrgepinge - kaabliühendustes, väljalülitatud - vooluringi lülitites, maanduspunktides, tühjendusklappides ja madalpinge - lülituskappides jne.
- Koormuslüliti: see on õli - sukeldatud, kolme - faasi lüliti vedruga töömehhanismiga. Seda saab kasutada koormaga ja selle sulgemiskiirusel pole tööjõuga mingit pistmist. Valikus on sellised tüübid nagu kaks - jaama, neli - T-tüüpi jaama ja neli - T-positsiooni V-tüüpi.

Põhilised ehitus- ja tehnilised nõuded
● Vundamendi kandevõime ja kaitse
Vundamendi kandevõime ei tohi olla väiksem kui 100 kPa.
-Kui vundament asub mägismaal, tuleb selle ümber rajada välised drenaažisüsteemid.
-Vundament tuleb ehitada punastest tellistest tsementmördiga ning nii siseseinad kui välisseinad krohvida 20mm-paksusega 1:2 tsementmördiga, mis on hüdroisolatsiooni parandamiseks segatud 3% hüdroisolatsiooniga.
-Betoonvundamendi pind peab olema tasane ja pärast kokkupandava alajaama paigaldamist tuleb ümbritsev vundament tihendada tsemendiga.
● Struktuur ja sisseehitatud osad
-Kaablikambri põhi peab olema vee kogunemise vältimiseks veidi kaldu veekogumistoru poole.
-Teemant-kujuline paisutatud terasvõrk (raam 150 × 300, võrgusilma suurus 10 × 20) keevitatakse raami raami sisse, tugevuse suurendamiseks on seina sisse manustatud tugevdusribid.
-Maandusvardad ja kaablikinnitusklambrid peavad olema eelnevalt-sisseehitatud ning nende kuju ja asend tuleb määrata vastavalt tegelikele asukohatingimustele.
--Sissetulevate ja väljuvate kaablite avade asukohad määratakse samuti vastavalt vajadusele kohapeal.
● Kasutamine ja ruum
Pärast kokkupandava trafoalajaama paigaldamist tuleb ohutu töö ja hoolduse tagamiseks lüliti ette jätta vähemalt 1,5 m tööruumi.
● Maandussüsteem
-Maandusmahuti tuleb juhtida kaablikraavist välja ja selle võib paigutada ümber rõnga põhiseadme või pikendada ühelt poolt maanduselektroodini.
-Maandusvõrk peab olema valmistatud Φ12 mm tsingitud ümarterasest või 30 × 4 mm tsingitud lehtterasest.
-Maandustakistus peab olema väiksem või võrdne 4 Ω vastavalt toiteameti nõuetele.
● Ehitusstandardid ja paindlikkus
-Vundamendi ehitus peab vastama JGJ/T16-92 "Tsiviilehitiste elektriprojekteerimise koodeks".
-Joonistel näidatud mõõtmed on soovituslikud väärtused. Kaablikaevud saab paigutada kolmes või neljas suunas vastavalt asukoha tingimustele, et vastata erinevatele sissetulevate liinide nõuetele.
Toote parameetrid
|
S/N |
Nimi |
Üksus |
Tehniline parameeter |
|
1 |
Nimipinge |
KV |
10/0.4 |
|
2 |
Kõrge{0}}pinge külgmine nimipinge |
KV |
10 |
|
3 |
Madal{0}}pinge külgmine nimipinge |
KV |
0.4 |
|
4 |
Maksimaalne tööpinge (kõrgepinge pool) |
KV |
12 |
|
5 |
Nimisagedus |
Hz |
50 |
|
6 |
Nimivõimsus |
KVA |
150-1600 |
|
7 |
Kõrge{0}}pingelüliti soojusstabiilne võimsus |
KA |
20/26 |
|
8 |
Madalpinge-peakaitselüliti nimilühise-tõkestusvõimsus |
KA |
35 |
|
9 |
Madal-pinge jaotuskaitselüliti nimilühis-võimsus |
KA |
35 |
|
10 |
Kõrge{0}}pinge koormuslüliti ülekandevool |
A |
>1500 |
|
11 |
1 min võimsuse sageduse taluvuspinge |
KV |
35 |
|
12 |
Välgu impulsspinge |
KV |
75 |
|
13 |
Jahutusrežiim |
- |
Õliga sukeldatud{0}}isejahutus |
|
14 |
Kõrge{0}}pingega varukaitsme katkestusvool |
KA |
50 |
|
15 |
Pistiku{0}}kaitsme katkestusvool |
KA |
2.5 |
|
16 |
Ümbritsev temperatuur |
kraadi |
-35 ~ +40 |
|
17 |
Mähise lubatud temperatuuri tõus |
K |
65 |
|
18 |
No{0}}koormuseta pinge reguleerimine |
% |
±5% või ±2 × 2,5% |
|
19 |
Müra tase |
dB |
<50 |
|
20 |
Box Shelli kaitseaste |
- |
Mitte vähem kui IP3X |
Isolatsiooni tase
|
Nimipinge (KV) |
10 |
0.4 |
||
|
Trafo |
Lülituge maandusele ja faas faasile |
Lahtilülitite vahel |
||
|
Toitesageduse vastupidavuspinge (KV) |
35 |
42 |
48 |
2.5 |
|
Impulsi vastupidavuspinge (KV) tippväärtus |
75 |
75 |
85 |
– |
Trafo
Valitud uus S9-seeria trafo korpus, väike kadu, hea ülekoormusvõime, tugev lühis{1}}takistus, kõik kinnitusdetailid on kaitstud. Valida saab ka parema jõudlusega S11 seeria rõngasvuukideta südamikutrafo.
|
Mahutavus KVA |
Pinge KV |
Liitu rühmasildiga |
No-load praegune % |
Koormuskadu pole W |
Impedantsi pinge % |
Koormuse kaotus |
|||||
|
Kõrge pinge |
Madal rõhk |
S9 |
S10 |
S11 |
S9 |
S10 |
S11 |
||||
|
160 |
10±5% või 2 × 2,5% |
0.4 |
Dyn11 Yno |
1.4 |
1.4 |
0.2 |
400 |
320 |
255 |
4.0 |
2200 |
|
200 |
1.3 |
1.3 |
0.2 |
480 |
380 |
305 |
2600 |
||||
|
250 |
1.2 |
1.2 |
0.2 |
560 |
450 |
360 |
3050 |
||||
|
315 |
1.1 |
1.1 |
0.2 |
670 |
530 |
425 |
3650 |
||||
|
400 |
1.0 |
1.0 |
0.15 |
800 |
650 |
505 |
4300 |
||||
|
500 |
1.0 |
1.0 |
0.15 |
960 |
750 |
605 |
5100 |
||||
|
630 |
0.9 |
0.9 |
0.15 |
1200 |
910 |
755 |
6200 |
||||
|
800 |
0.8 |
0.8 |
0.15 |
1400 |
1080 |
980 |
7500 |
||||
|
1000 |
0.7 |
0.7 |
- |
1700 |
1260 |
- |
4.5 |
10300 |
|||
|
1250 |
0.6 |
0.6 |
- |
1950 |
- |
- |
12000 |
||||
|
Kauba nimi |
Ühikud |
315A |
630A |
|
|
Nimipinge |
KV |
12 |
12 |
|
|
Maksimaalne vool |
A |
315 |
630 |
|
|
Nimisagedus |
Hz |
50 |
50 |
|
|
Nimilühis{0}}sulgemisvool |
kA |
31.5 |
50 |
|
|
Nimetatud lühiajaline{0}}vastupidavus voolule |
kA |
12.5 |
50 |
|
|
Nimetatud lühike vastupidavusaeg |
S |
2 |
2 |
|
|
Mehaaniline eluiga |
Teine-määr |
2000 |
2000 |
|
|
Välguimpulsi test |
Faasist faasini |
KV |
75 |
75 |
|
Isolatsiooni murd |
85 |
85 |
||
|
1min võimsuse sagedust taluma pinget |
Faasist faasini |
KA |
42 |
42 |
|
Isolatsiooni murd |
48 |
48 |
||
|
Nimetatud tipp-vastupidavusvool |
KV |
31.5 |
50 |
|
|
Mahutavus |
A |
B |
C |
H |
Kaal KG |
|
200kVA ja alla selle |
1830 |
1420 |
820 |
1850 |
<2800 |
|
250-400kVA |
1830 |
1450 |
850 |
1980 |
3000-3300 |
|
500-630kVA |
1830 |
1480 |
880 |
2070 |
3600-3950 |
|
800kVA |
2200 |
1700 |
950 |
2170 |
4500 |
Märkus. Ülaltoodud on standardsuurus viitamiseks.
|
Mahutavus |
A |
B |
C |
H |
Kaal KG |
|
315kVA |
2560 |
1600 |
600 |
1000 |
3050 |
|
400kVA |
2560 |
1600 |
600 |
1000 |
3270 |
|
500kVA |
2560 |
1600 |
600 |
1000 |
3400 |
|
630kVA |
2560 |
1600 |
600 |
1000 |
3900 |
|
800kVA |
2760 |
1600 |
800 |
1000 |
4200 |
|
1000kVA |
2760 |
1950 |
800 |
1000 |
4800 |
|
1250 kVA |
2910 |
1950 |
800 |
1000 |
5400 |
|
1600 kVA |
2200 |
1700 |
950 |
2170 |
4500 |
Märkus. Ülaltoodud on standardsuurus viitamiseks.
Joonised



Üksikasjalikud vaated






Pakkimine ja saatmine



Kliendi tehase kontroll






Kuum tags: 80 kva padjakinnitusega kolme-faasilise õli-sükeldatud jaotustrafo, Hiina 80 kva padjakinnitusega kolme-faasiõli-kastejaotustrafo tootjad, tarnijad, tehas
